Elektromet BWE 100L vyrovnávací nádrž BW-069-10-001
- Vyrovnávací nádrže BWE jsou určeny ke shromažďování, skladování a přepravě přebytečné horké topné vody nebo jiných kapalin, které mohou přijít do styku s ocelí, získané z různých zdrojů tepla.
Vyrovnávací nádrže Elektromet BWE
Nádrže BWE jsou určeny k montáži elektrického ohřívače na 1 ¼” zástrčku umístěnou ve spodní části nádrže. Ohřívač se instaluje po odšroubování maskovacích prvků spodního dna.
Nejvyšší kvalita zpracování vyrovnávacích nádrží Elektromet BWE
Vyrovnávací nádrže jsou vyrobeny z černého ocelového plechu. Tepelná izolace nárazníků je tvořena vrstvou polyuretanové pěny. Tepelně izolační kryt je plášť z tenkého ocelového plechu pokrytý práškovou barvou a spodní a horní kryt z ABS plastu. Nárazníky jsou tlaková zařízení určená pro práci ve svislé poloze s maximálním tlakem vody 0,3 MPa (3 bar).
Zabezpečení a podmínky bezpečného používání.
Nádrže, zejména provozované v uzavřených systémech, smějí být provozovány pouze s funkčním pojistným ventilem s max. otevíracím tlakem. 0,3 MPa, nejlépe instalované na přívodu studené vody. Tento ventil chrání zařízení před nadměrným tlakem v topném okruhu.
I při běžném provozu může z pojistného ventilu dočasně unikat voda, což znamená, že ventil funguje správně. V takových případech nesmí být vypouštěcí otvor žádným způsobem blokován.
Provoz a servis
1. Pravidelně, alespoň jednou za měsíc a před každým uvedením do provozu po vyřazení z provozu, zkontrolujte správnou funkci pojistného ventilu.
2. Opravy vodovodních instalací by měli provádět pouze odborníci s odpovídající kvalifikací.
Instalace elektrického ohřívače
Nádrže BWE umožňují instalaci elektrického ohřívače přizpůsobeného pro použití v nádržích bez keramického povlaku na vnitřní straně. Ohřívač by měl být našroubován do 1¼” objímky umístěné ve spodní hlavě vyrovnávací nádrže po předchozí demontáži plastového krytu. K tomu odšroubujte dva kovové šrouby (obr. 2 - položky 1 a 2) a poté odstraňte kulatou plastovou zátku zakrývající objímku topení. Po odšroubování zátky zakrývající objímku ohřívače znovu přišroubujte plastovou manžetu (obr. 2 - poz. 3) dolů. Po dokončení výše uvedených kroků můžete začít šroubovat elektrický ohřívač. Instalace by měla být provedena v souladu s pokyny pro instalaci a provoz elektrického ohřívače.

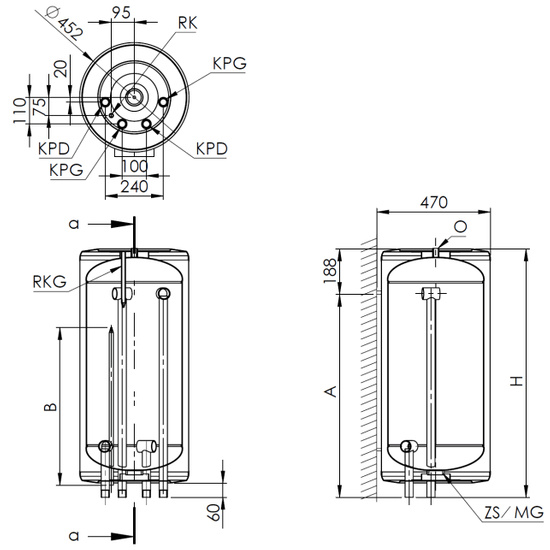
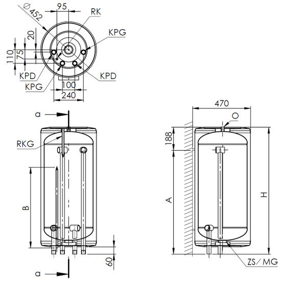
| Technická data | IU | BWE 50 | BWE 80 | BWE 100 |
|---|---|---|---|---|
| kapacita | dm³ | 50 | 80 | 100 |
| Horní přípojka | palec | Gzew 1" | Gzew 1" | Gzew 1" |
| Spodní přípojka | palec | Gzew 1" | Gzew 1" | Gzew 1" |
| Kapilární | palec | 3/8" | 3/8" | 3/8" |
| Horní kapilára | palec | 3/8" | 3/8" | 3/8" |
| Vent | palec | Gwew 1/2" | Gwew 1/2" | Gwew 1/2" |
| Spoušť | palec | 1 1/4" | 1 1/4" | 1 1/4" |
| H | mm | 625 | 865 | 1025 |
| A | mm | 437 | 677 | 837 |
| B | mm | 250 | 490 | 650 |
| Typ nádrže | ocel - uvnitř surová | ocel - uvnitř surová | ocel - uvnitř surová | |
| Tepelná izolace | polyuretanová pěna | polyuretanová pěna | polyuretanová pěna | |
| Tloušťka tepelné izolace | mm | 25 | 25 | 25 |
| Vnější kryt | Kabát z plechu pokrytý práškovou barvou | Kabát z plechu pokrytý práškovou barvou | Kabát z plechu pokrytý práškovou barvou | |
| Maximální pracovní tlak | pr = 0,3 MPa | pr = 0,3 MPa | pr = 0,3 MPa | |
| Maximální provozní teplota | tr = 80 °C | tr = 80 °C | tr = 80 °C | |
| Hmotnost | kg | 28 | 35 | 40 |









