Uložit do nákupního seznamu
Vytvoření nového nákupního seznamu
Stojatá vyrovnávací nádrž Defro DBO S 400L
Stojatá vyrovnávací nádrž Defro DBO S 400L
Stojatá vyrovnávací nádrž Defro DBO S 400L
Stojatá vyrovnávací nádrž Defro DBO S 400L

Stojatá vyrovnávací nádrž Defro DBO S 400L

  • Tepelná izolace nárazníků je tvořena vrstvou pěnového polystyrenu trvale připevněnou ke stěnám nádrže. Tepelně izolační kryt je vyroben z plastu. Naše nárazníky mají vysokou třídu energetické účinnosti.
EAN:
5904422945879
SKU: ZBSDDBOS400
Kód výrobce : BCW-DBO-400-B-S
Rychlé nakupování 1-Click(bez registrace)
Není k dispozici
Není k dispozici
Bezproblémové vrací
Tento produkt není k dispozici v kamenném obchodě
Bezpečné nakupování
Využijte také instalační služby

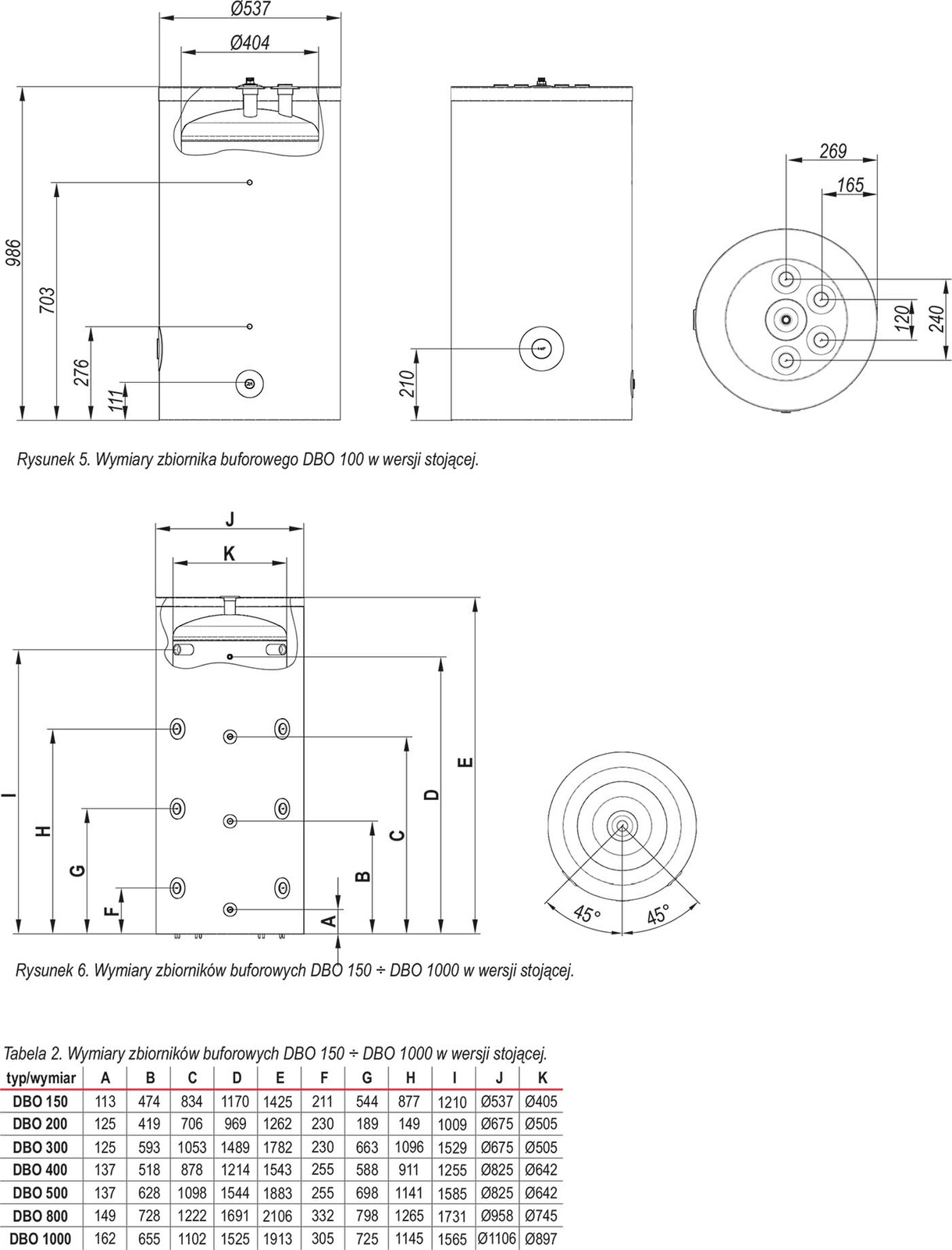
Vyrovnávací nádrž DBO

Stojatá varianta zásobníku je zodpovědná za shromažďování, akumulaci a předávání přebytečné teplé topné vody z různých zdrojů tepla, jako jsou: kotle na pelety, kotle na ekohrášek, napájecí kotle nebo tepelná čerpadla. Zásobník chrání topný systém, absorbuje rozdíl mezi tepelným výkonem topných zařízení a výkonem přenášeným do topného systému. Díky hrdlům namontovaným na boku lze DBO snadno připojit k topným zařízením vyrobeným společností DEFRO. Tepelná izolace nárazníku je vyrobena z kvalitních materiálů ve snímatelném plastovém krytu. Naše nárazníky mají vysokou třídu energetické účinnosti.

Parametr IU 100 DBO DBO 150 200 DBO 300 DBO 400 DBO 500 DBO 800 DBO 1000 DBO
Skladovací kapacita (V)1) l 100 150 200 300 400 500 800 1000
Ztráta pohotovostního režimu (S)1) W 68,06 77,08 84,60 97,20 106,9 114,51 134,09 147,01
Třída energetické účinnosti                                                           C
Max. cirkulační tlak každý bar                                                           3
Max. Tlak okruhu TUV bar                                                           3
Max. teplota pracovního média °C                                                          90
napájení V/Hz                                                      ~230/5
Značka
Symbol
ZBSDDBOS400
EAN
5904422945879
Kód výrobce
BCW-DBO-400-B-S
Energetická třída
C
Pojemność
400 l
Typ izolace
Polyuretanová pěna
Hmotnost
99 kg
Výška
1543 mm
Średnica
825 mm
Záruka výrobce na 2 roky

Výrobce zaručuje opravu nebo výměnu zařízení až 24 měsíců od data nákupu. Kontaktujte obchod prostřednictvím formuláře pro stížnosti na adrese objednat kurýra, který vyzvedne zařízení u vás doma.

Napište svoji recenzi
Vaše hodnocení:
5/5
Přidejte vlastní obrázek produktu:
Potřebujete pomoc? Máte otázky?Položte svůj dotaz a my vám ihned odpovíme, nejzajímavější dotazy a odpovědi budou zveřejněny pro ostatní..
Dotaz na výrobek
Pokud vám výše uvedený popis nestačí, zašlete nám prosím svůj dotaz k tomuto produktu. Odpovíme vám co nejdříve. Údaje se zpracovávají v souladu s zásady ochrany osobních údajů. Jeho odesláním přijímáte jeho ustanovení..

Z našeho blogu

Vyrovnávací nádrže pro tepelná čerpadla - jak vybrat správnou vyrovnávací nádrž?
Podlahové vytápění může fungovat jako zásobník energie, který nahrazuje vyrovnávací paměť v systému tepelného čerpadla, zvyšuje účinnost a snižuje náklady. Vyrovnávací paměť tepelného čerpadla ukládá teplo, snižuje četnost spouštění kompresoru, připojuje další zdroje tepla a zabraňuje taktování čerpadla. Její použití závisí na mnoha faktorech, jako je vodní kapacita systému, typ vytápění a počet zdrojů tepla. Výběr vyrovnávací paměti vyžaduje zvážení její kapacity, typu a dalších technických specifikací.
Přečtěte si více
Real customers reviews
4.7 / 5.0 54 reviews
pixel